STM32F107 + DM9161实现Modbus TCP通信:从站代码探秘
STM32F107+DM9161 Modbus TCP通信源代码和原理图PDF1. Modbus协议从站源代码2. 基于FreeRTOS操作系统3. 采用LWIP协议4.支持断线重连无实物,只是资料在嵌入式开发领域,Modbus TCP通信是非常常见且重要的一种通信方式。今天咱就来讲讲基于STM32F107和DM9161实现Modbus TCP从站通信的事儿,而且是基于FreeRTOS操作系统并采
STM32F107+DM9161 Modbus TCP通信源代码和原理图PDF 1. Modbus协议从站源代码 2. 基于FreeRTOS操作系统 3. 采用LWIP协议 4.支持断线重连 无实物,只是资料

在嵌入式开发领域,Modbus TCP通信是非常常见且重要的一种通信方式。今天咱就来讲讲基于STM32F107和DM9161实现Modbus TCP从站通信的事儿,而且是基于FreeRTOS操作系统并采用LWIP协议,还支持断线重连哦!
一、整体框架概述
整个项目基于FreeRTOS操作系统,这为多任务管理提供了极大的便利。LWIP协议则负责网络相关的处理,而STM32F107作为主控芯片,DM9161作为以太网物理层芯片,共同完成Modbus TCP从站的功能。
二、Modbus协议从站源代码分析
1. 初始化部分
// 初始化LWIP协议栈
void lwip_init_custom(void) {
struct ip_addr ipaddr, netmask, gw;
IP4_ADDR(&ipaddr, 192, 168, 1, 100);
IP4_ADDR(&netmask, 255, 255, 255, 0);
IP4_ADDR(&gw, 192, 168, 1, 1);
lwip_init();
netif_add(&gnetif, &ipaddr, &netmask, &gw, NULL, ðernetif_init, &tcpip_input);
netif_set_default(&gnetif);
netif_set_up(&gnetif);
}
这里主要是对LWIP协议栈进行初始化,设置了开发板的IP地址、子网掩码和网关,然后将网络接口添加到LWIP协议栈中,并设置为默认接口且使其处于开启状态。
2. Modbus相关任务
void modbus_task(void *pvParameters) {
while(1) {
// 处理Modbus请求
modbus_process_request();
// 检查连接状态
if (check_connection_status() == DISCONNECTED) {
// 尝试重连
reconnect_to_server();
}
vTaskDelay(100 / portTICK_PERIOD_MS);
}
}
这个任务函数是Modbus从站的核心部分。它在一个死循环中不断处理Modbus请求。同时,通过checkconnectionstatus函数检查当前连接状态,如果发现处于断开状态,就调用reconnecttoserver函数尝试重新连接服务器,这里就实现了断线重连的功能。每隔100毫秒,任务会进行一次短暂延迟,避免过度占用CPU资源。
3. 重连函数示例
void reconnect_to_server(void) {
// 关闭现有连接(如果有)
close_existing_connection();
// 重新初始化网络相关部分
lwip_init_custom();
// 等待一段时间,确保网络初始化完成
vTaskDelay(500 / portTICK_PERIOD_MS);
// 尝试建立新连接
establish_new_connection();
}
reconnecttoserver函数首先关闭可能存在的现有连接,然后重新初始化LWIP协议栈相关部分。为了确保网络初始化稳定,等待500毫秒后,再尝试建立新的连接。
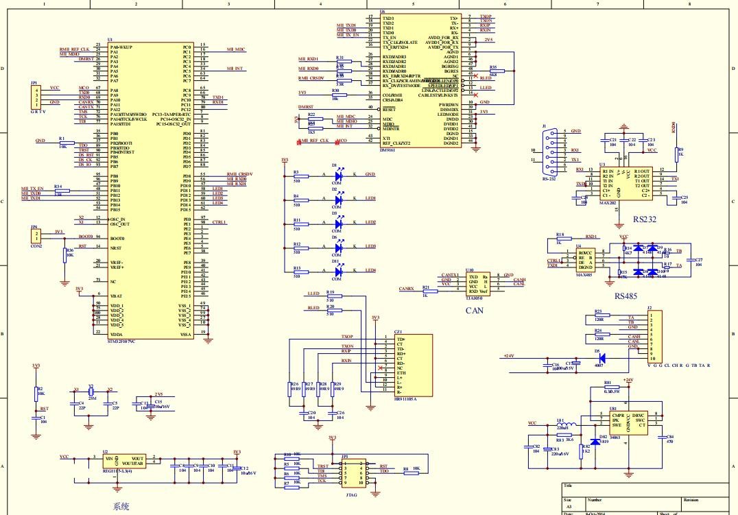
三、原理图PDF的作用
虽然没有实物,但原理图PDF至关重要。它清晰地展示了STM32F107与DM9161之间的硬件连接关系。通过原理图,我们能看到STM32F107的哪些引脚与DM9161相连,电源、时钟、数据等信号如何传输。这对于理解硬件层面的通信原理以及在代码中进行相应配置都有着不可或缺的作用。例如,通过原理图知道了DM9161的中断引脚连接到STM32F107的某个外部中断引脚,那么在代码中就可以针对这个中断进行相应的配置和处理。

STM32F107+DM9161 Modbus TCP通信源代码和原理图PDF 1. Modbus协议从站源代码 2. 基于FreeRTOS操作系统 3. 采用LWIP协议 4.支持断线重连 无实物,只是资料

总的来说,这套基于STM32F107 + DM9161的Modbus TCP从站方案,结合FreeRTOS和LWIP,在软件和硬件协同工作下,为实现稳定可靠的Modbus TCP通信提供了一个很好的范例。无论是学习网络通信还是实际项目开发,都具有较高的参考价值。

openvela 操作系统专为 AIoT 领域量身定制,以轻量化、标准兼容、安全性和高度可扩展性为核心特点。openvela 以其卓越的技术优势,已成为众多物联网设备和 AI 硬件的技术首选,涵盖了智能手表、运动手环、智能音箱、耳机、智能家居设备以及机器人等多个领域。
更多推荐


所有评论(0)