基于RISC-V指令集的五级流水线CPU设计与验证报告:代码注释详尽、可上板验证的完整方案
本项目是一款基于RISC-V指令集的五级流水线CPU设计,包含完整的硬件实现代码与验证相关文件,支持上板运行。设计采用Verilog硬件描述语言开发,涵盖CPU核心模块、存储模块、外设接口模块及时钟管理模块等,遵循RISC-V指令集架构规范,实现了基础指令的执行、数据处理、存储交互及外设控制等功能,可作为嵌入式系统、教学实验及轻量级计算场景的硬件基础。
基于riscv指令集的五级流水线CPU设计及其验证 可以上板,且有详细说明和代码注释 基于vivado平台进行验证 包括verilog源代码、汇编验证代码、详细的说明文档(47页)以及PPT Modelsim quartus vivado都跑过,确认代码没有问题 已
一、项目概述
本项目是一款基于RISC-V指令集的五级流水线CPU设计,包含完整的硬件实现代码与验证相关文件,支持上板运行。设计采用Verilog硬件描述语言开发,涵盖CPU核心模块、存储模块、外设接口模块及时钟管理模块等,遵循RISC-V指令集架构规范,实现了基础指令的执行、数据处理、存储交互及外设控制等功能,可作为嵌入式系统、教学实验及轻量级计算场景的硬件基础。
二、核心模块功能解析
(一)算术逻辑单元(ALU)
算术逻辑单元是CPU的核心运算部件,负责执行各类算术与逻辑运算,接收两个32位操作数(source1、source2)及5位控制信号(ALUCtrl),输出运算结果(result)及零标志位(Zero),支持的核心功能如下:
- 算术运算
- 加法:当ALUCtrl为5'b00100时,执行source1与source2的加法操作,Zero标志位固定为0。
- 有符号减法:ALUCtrl为5'b00101时,根据操作数符号位(31位)分场景处理:均为正数、均为负数、正数减负数、负数减正数,通过补码运算确保结果正确性,相等时Zero置1,否则置0。
- 比较运算:包含无符号小于(10000)、有符号小于(10100)、无符号大于等于(10001)、有符号大于等于(10101),根据比较结果设置Zero与result,例如无符号小于时,若source1 - 逻辑运算
- 支持与(11100)、或(11101)、异或(11110)运算,直接对两个操作数的对应位进行逻辑操作,Zero标志位固定为0。
- 支持逻辑左移(01100)、逻辑右移(01101)、算术右移(01110),移位位数由source2的低5位决定,算术右移时根据source1符号位进行符号扩展,逻辑移位则补0,结果为0时Zero置1。 - 特殊功能
- 相等判断(00111):比较source1与source2,相等时result=0、Zero=0,否则result=1、Zero=1。
- jal指令支持(00110):强制输出Zero=1、result=1,适配jal指令的跳转控制需求。
(二)ALU控制模块(ALUCtrl)
ALU控制模块是连接指令解码与ALU运算的桥梁,接收3位ALU操作类型(ALUOp)与4位指令片段(instruction),输出5位ALU控制信号(ALUCtrl),实现不同类型指令与ALU运算的映射,核心映射逻辑如下:
- R型指令(ALUOp=010):根据instruction的低4位(func3+func7部分)映射运算类型,例如add(0000→00100)、sub(1000→00101)、sll(0001→01100)等,覆盖R型指令的全部基础运算。
- B型指令(ALUOp=001):依据instruction的低3位(func3)确定比较类型,如beq(000→00101)、bne(001→00111)、blt(100→10100)等,为分支跳转提供比较控制信号。
- I型指令(ALUOp=011/100):分两类处理,普通I型指令(如addi、slti)根据func3映射,移位类I型指令(slli、srli、srai)需结合instruction的第3位判断移位类型,例如srli(101且bit3=0→01101)、srai(101且bit3=1→01110)。
- U型/J型指令:U型指令(lui,ALUOp=101)对应控制信号01111,J型指令(jal,ALUOp=110)对应控制信号00110,确保特殊指令的运算逻辑正确。
(三)CPU顶层模块(CPU_Top)
CPU顶层模块是整个CPU系统的集成核心,负责连接CPU核心、存储模块、外设接口及时钟模块,实现信号的全局调度与交互,核心功能包括:
- 时钟与复位管理:接收50MHz输入时钟(clk50M)与复位信号(irst_n),通过PLL模块生成系统所需时钟(部分版本直接使用输入时钟),确保各模块时序同步。
- 存储交互:连接程序存储器(ramins)与数据存储器(ramdata),实现指令读取(AddressIns→Instruction)与数据读写(DataMemAddress、DataMemWriteData、MemWrite、MemRead),同时通过PCIMEM_Ctrl信号区分内存与外设访问。
- 外设控制:集成AHB总线从机多路选择模块(AHBslaveMux),支持按键(Keypress)、LED(led)、数码管(hex0~hex3)、UART(irxpin、otxpin)等外设的控制与数据交互,实现CPU对外设的统一管理。
- 信号监控:通过Testled信号输出关键系统状态(如时钟、片选、读写使能),便于硬件调试与状态观测。
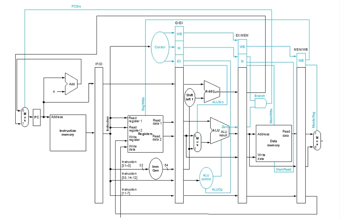
(四)CPU核心模块(cpuLSX)
cpuLSX是五级流水线的核心实现模块,涵盖取指(IF)、译码(ID)、执行(EX)、访存(MEM)、回写(WB)五级流程,通过寄存器组、流水线寄存器、前递单元、冒险检测单元等组件,确保指令高效有序执行,核心流程如下:
- 取指阶段(IF):由程序计数器(PC)生成指令地址(Address_Ins),从程序存储器读取指令(Instruction),并通过IF/ID流水线寄存器暂存指令与PC信息,同时处理分支跳转带来的PC更新。
- 译码阶段(ID):对指令进行解码,通过控制模块(Control)生成运算类型、读写控制等信号,从寄存器组(Ram_Reg32)读取操作数,生成立即数(immGen),并通过ID/EX寄存器传递数据与控制信号。
- 执行阶段(EX):根据ALU控制信号执行运算,通过前递单元(ForwardingUnit)解决数据前递问题(如EX→EX、WB→EX数据依赖),通过冒险检测单元(HazardDetectionUnit)处理数据冒险(如Load-Use冒险),确保运算数据正确。
- 访存阶段(MEM):根据控制信号执行数据存储器读写,通过EX/MEM寄存器传递运算结果、地址与控制信号,同时处理Cache的命中与缺失(Cache模块),实现数据的高速缓存与内存交互。
- 回写阶段(WB):通过MEM/WB寄存器接收访存结果,根据MemtoReg信号选择回写数据(ALU结果或内存数据),更新寄存器组,完成指令的最终执行。
(五)Cache模块
Cache模块是提升CPU数据访问效率的关键组件,采用组相联结构(默认2路组相联),实现CPU与内存之间的数据缓存,核心功能包括:
- 缓存命中判断:接收CPU访问地址(AddressInFromCPU),对比Cache中的标签(Tag)与有效位(V),输出命中信号(Hit),命中时直接从Cache输出数据,未命中则触发内存访问。
- 缓存更新策略:未命中时,若缓存块被修改(Modify),需先将旧数据写回内存(WriteBack),再从内存读取新数据更新Cache(ReadData),采用LRU(最近最少使用)算法选择替换块,确保缓存效率。
- 数据交互:与CPU交互读写使能(enWriteFromCPU、enReadFromCPU)与数据(DataInFromCPU、DataOutToCPU),与内存交互地址(AddressOutToMEM)、数据(DataOutToMEM)及读写控制(enWriteToMEM、enReadToMEM),实现缓存与内存的无缝衔接。
(六)控制模块(Control)
控制模块是指令解码的核心,接收7位指令操作码(opcode),输出CPU各级流水线所需的控制信号,包括分支(Branch)、内存读写(MemRead、MemWrite)、数据选择(MemtoReg、ALUSrc)、寄存器写(RegWrite)等,覆盖所有指令类型的控制需求,例如:
- R型指令:RegWrite=1、ALUSrc=0、MemRead/MemWrite=0,确保寄存器运算与回写。
- Load指令(lw等):MemRead=1、MemtoReg=1、ALUSrc=1,实现内存数据读取与寄存器回写。
- Store指令(sw等):MemWrite=1、ALUSrc=1、RegWrite=0,完成数据写入内存。
- 分支/跳转指令:Branch=1(B型)或J=1(J型),为PC更新提供控制信号。
三、存储模块功能
存储模块是CPU的数据与指令存储载体,包含程序存储器(ramins)、数据存储器(ramdata)及寄存器组(Ram_Reg32),各自功能如下:
- 程序存储器(ramins):只读存储器,初始化时从外部文件(initialInstructionMemory.txt)加载指令,接收32位指令地址(addrins),输出32位指令(datains),地址需右移2位(按字寻址),确保指令读取正确。
- 数据存储器(ramdata):读写存储器,存储CPU运行过程中的数据,接收时钟(clkdata)、地址(address)、写数据(Writedata)、读写使能(MemWrite、MemRead),输出读数据(ReadData),支持按字读写,初始化时所有单元置0。
- 寄存器组(RamReg32):32个32位通用寄存器,接收读地址(ReadReg1、ReadReg2)、写地址(WriteReg)、写数据(Writedata)及写使能(enRegWrite),输出读数据(ReadData1、ReadData2),寄存器0固定为0,确保符合RISC-V架构规范。
四、外设接口模块(AHB_slaveMux)
AHB_slaveMux是CPU与外设交互的统一接口,基于AHB总线协议,实现CPU对外设的地址解码、数据读写与控制信号交互,核心功能包括:
- 地址解码:根据CPU输出地址(addr)的高4位(31:28)判断外设类型,如LED(80000000~8000FFFF)、UART(81000000~8100FFFF)、数码管(82000000~8200FFFF)等,生成外设选择信号(H_sel)。
- 数据交互:接收CPU写数据(HWriteData)与读写控制(ReadWrite),根据外设选择信号将数据分发到对应外设,同时收集外设读数据(S_ReadData)回传给CPU,支持32位数据宽度的完整交互。
- 外设控制:集成LED、UART、数码管、按键、定时器等外设的控制逻辑,例如LED控制(AHBled)、UART数据收发(AHBUART)、数码管显示(AHB_hex)等,实现CPU对外设的灵活控制。
五、时钟模块(PLL/clk_wiz_0)
时钟模块是系统时序的基础,采用Xilinx MMCM(混合模式时钟管理器)实现时钟频率转换与相位调整,核心功能如下:
- 频率生成:接收50MHz输入时钟,通过配置生成多路输出时钟,例如80MHz、90MHz、100MHz(具体频率由MMCM参数决定),满足CPU核心、外设等不同模块的时钟需求。
- 时钟稳定:具备时钟锁定(locked)功能,复位后完成时钟稳定后输出锁定信号,确保系统在时钟稳定后启动,同时支持复位信号(resetn)控制,保障系统时序安全。
- 低抖动设计:通过MMCM的优化配置(如BANDWIDTH=OPTIMIZED、COMPENSATION=ZHOLD)降低时钟抖动,满足CPU流水线的时序要求,避免因时钟抖动导致的数据错误。
六、流水线优化模块
为解决五级流水线中的数据冒险与控制冒险问题,设计了前递单元(ForwardingUnit)与冒险检测单元(HazardDetectionUnit),确保流水线高效运行:
- 前递单元(ForwardingUnit):检测EX、WB阶段的寄存器写操作与ID、EX阶段的寄存器读操作之间的依赖关系,生成前递控制信号,将后续阶段的写数据提前传递到当前运算阶段,例如EX→EX前递(解决同一周期内的读写依赖)、WB→EX前递(解决跨周期的读写依赖),避免数据冒险导致的流水线停顿。
- 冒险检测单元(HazardDetectionUnit):主要处理Load-Use冒险(Load指令后紧跟依赖该数据的指令),检测到冒险时,生成PC使能(PCEn)与IF/ID寄存器使能(IFIDEn)信号,暂停取指与译码阶段,直至数据准备完成,同时处理分支跳转带来的控制冒险,通过重置IF/ID寄存器清除无效指令,确保流水线正确执行。
七、总结
本RISC-V五级流水线CPU设计涵盖了从指令解码、运算执行、存储交互到外设控制的完整功能,遵循RISC-V指令集规范,通过模块化设计实现了各功能的解耦与复用。核心模块(ALU、ALUCtrl、cpuLSX)确保指令的正确执行与流水线的高效运行,存储模块与外设接口模块拓展了CPU的功能边界,时钟与流水线优化模块保障了系统的时序稳定性与运行效率。整体设计可作为RISC-V CPU开发的基础框架,支持进一步的功能扩展(如中断、浮点运算)与性能优化(如深度流水线、多发射),适用于教学、嵌入式开发及轻量级计算场景。

基于riscv指令集的五级流水线CPU设计及其验证 可以上板,且有详细说明和代码注释 基于vivado平台进行验证 包括verilog源代码、汇编验证代码、详细的说明文档(47页)以及PPT Modelsim quartus vivado都跑过,确认代码没有问题 已


openvela 操作系统专为 AIoT 领域量身定制,以轻量化、标准兼容、安全性和高度可扩展性为核心特点。openvela 以其卓越的技术优势,已成为众多物联网设备和 AI 硬件的技术首选,涵盖了智能手表、运动手环、智能音箱、耳机、智能家居设备以及机器人等多个领域。
更多推荐



所有评论(0)